- Protection class
- IP67, IP69K
- Switching element function
- NO/NC
- Output function
- PNP
- Approvals
- CE, EHEDG
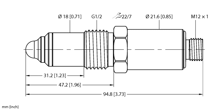
- Design
- Threaded barrel
- Process connection
- G 1/2” male thread, hygienic
- Medium
- liquids, Bulk goods
- Detection type
- medium contact
- Communication protocol
- IO-Link
- Electrical connection
- Connector
- Connector type
- M12 × 1
- Housing material
- Stainless steel
- Housing quality
- 1.4404 (AISI 316L)
- Media temperature min. (°C)
- 0
- Media temperature max. (°C)
- 100
- Ambient temperature min. (°C)
- -10
- Ambient temperature max. (°C)
- 70
- Measuring principle
- Capacitive
- Mounting conditions
- Immersion sensor
- Operating voltage
- DC
- Electrical output
- IO-Link, 2 × switching output, 1 × switching output, Switching output
- Construction size
- G 1/2″